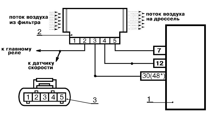
Распиновка дмрв 2110