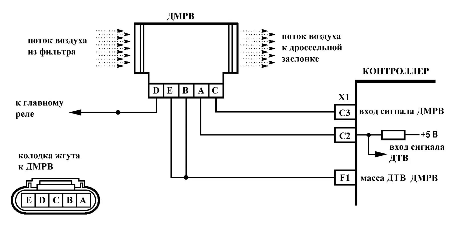
Распиновка датчика дмрв