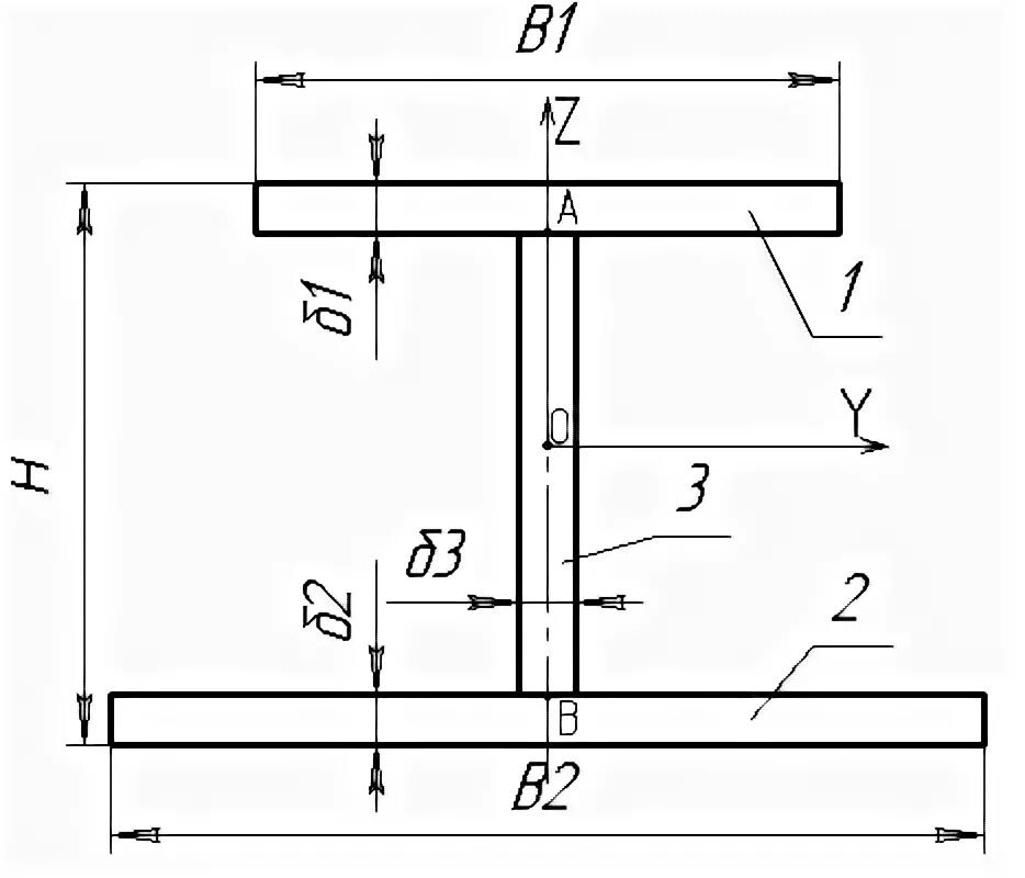
Расчета двутаврового сечения