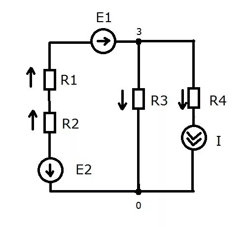
Расчет цепи методом двух узлов