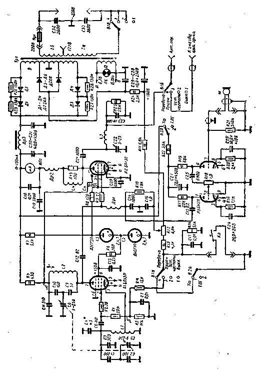
Радиостанция начинающего