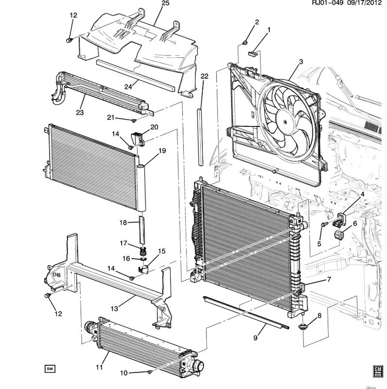
Радиатор охлаждения опель мокка