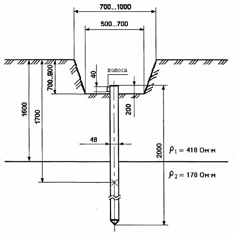
Работа заземляющего устройства