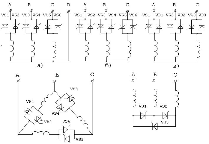
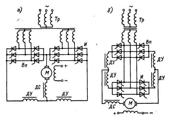
Работа тиристорного преобразователя