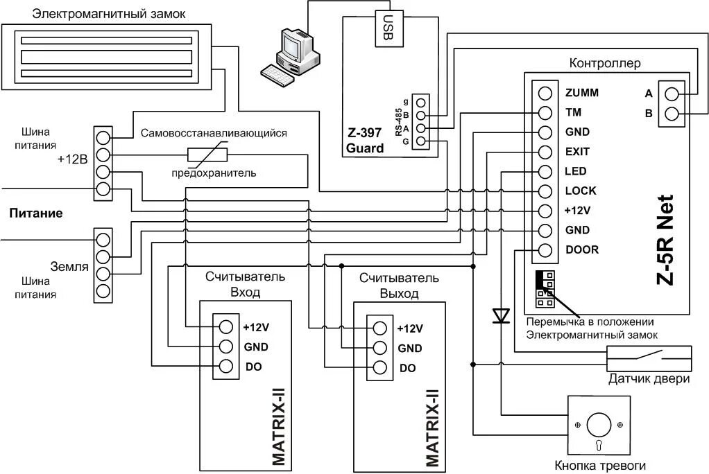
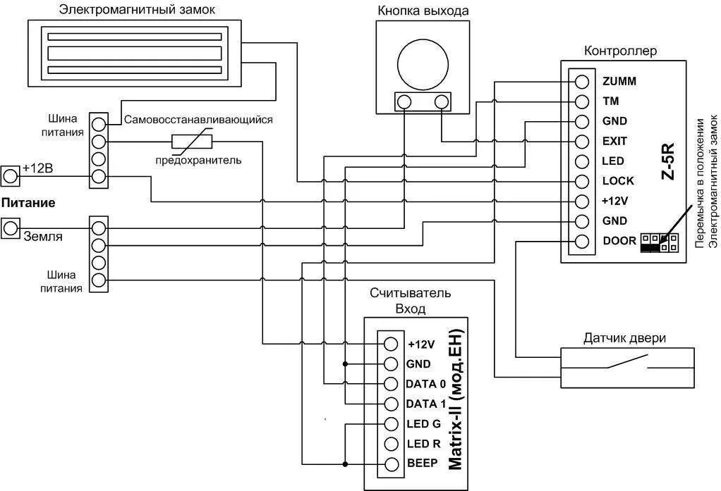
Работа электромагнитного замка