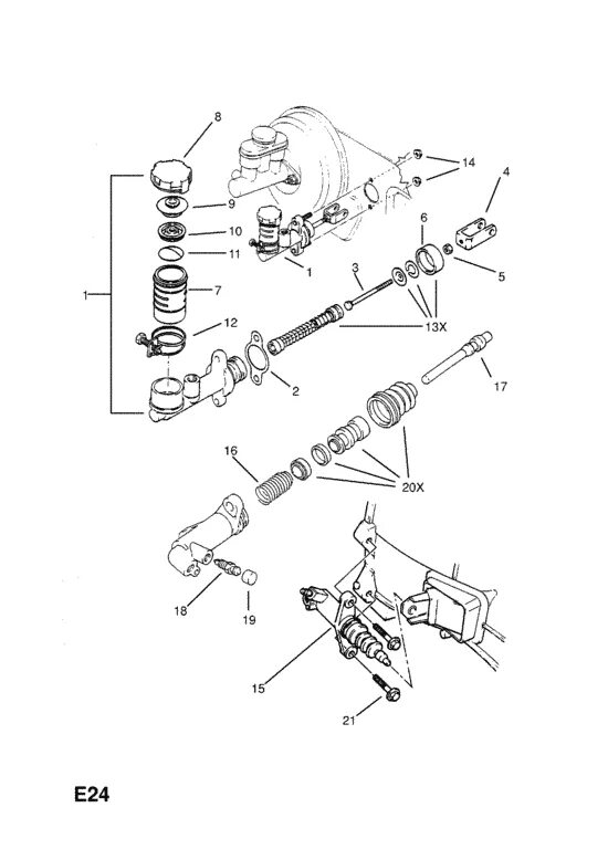
Рабочий цилиндр сцепления опель фронтера а