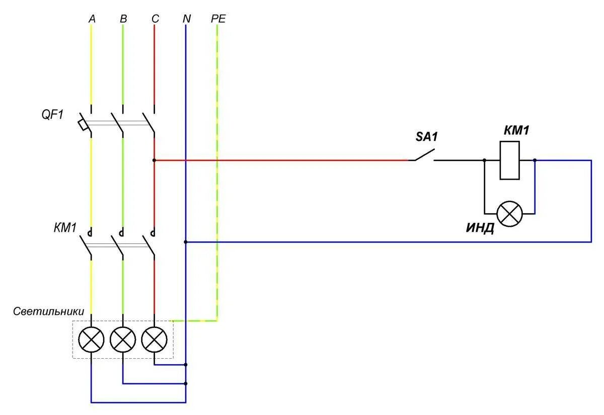
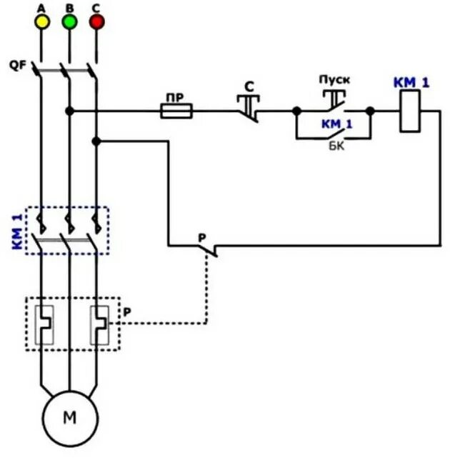
Пускатель через кнопку пуск стоп схема