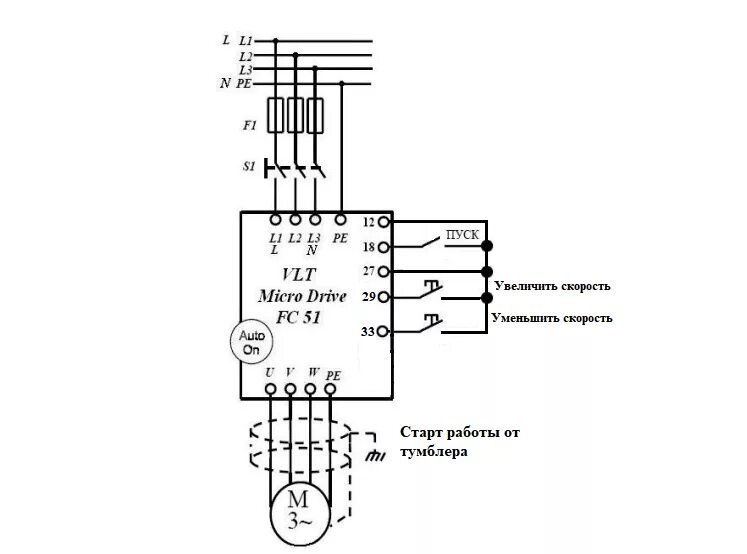
Пуск частотного преобразователя