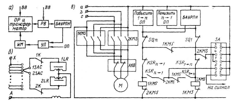
Пункт регулирования напряжения парн