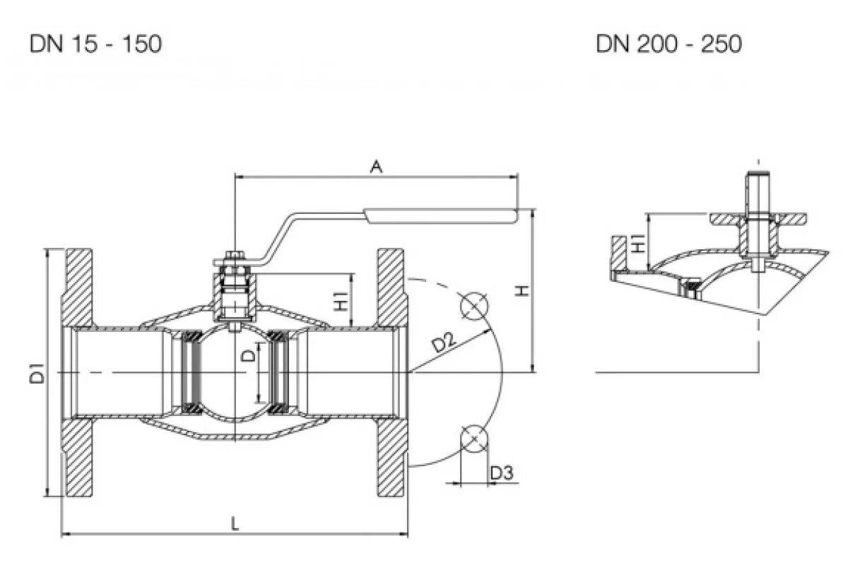
Ptfe уплотнение шарового крана