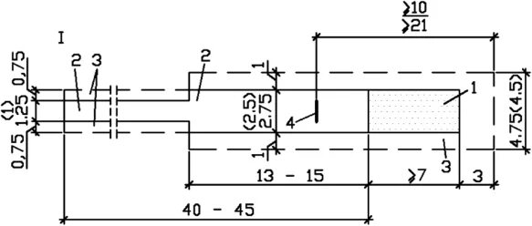
Прыжки в длину размеры