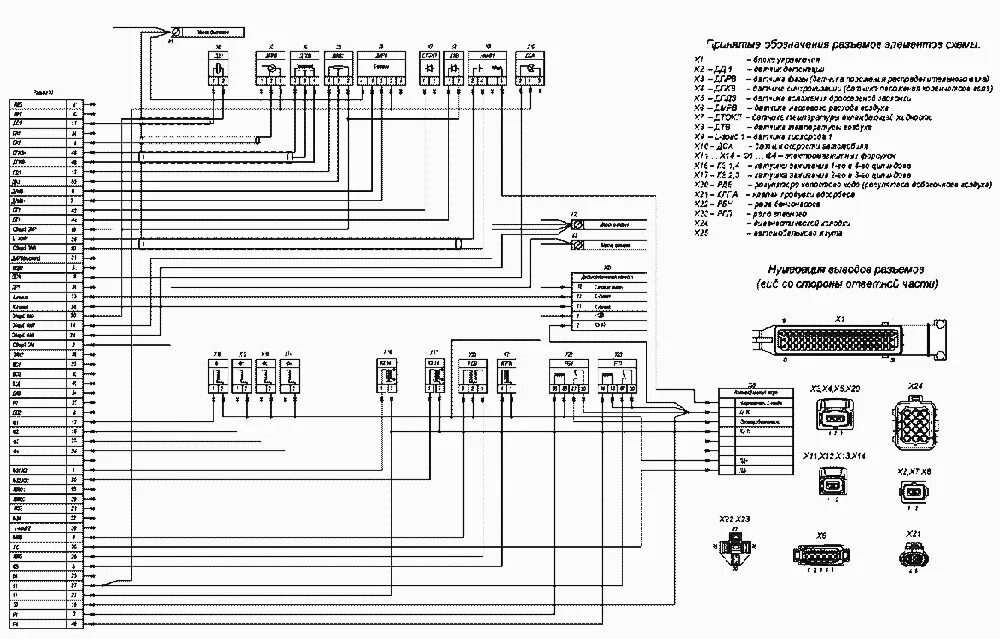
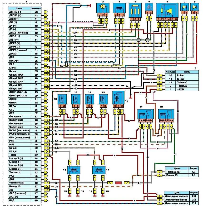
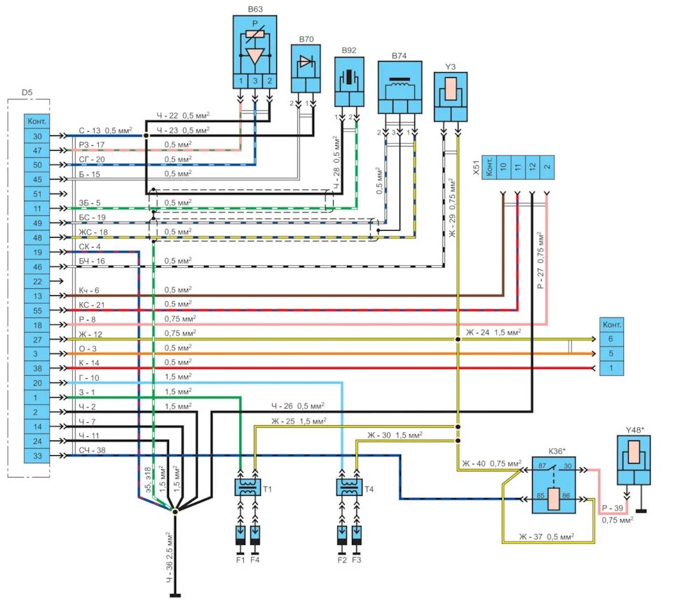
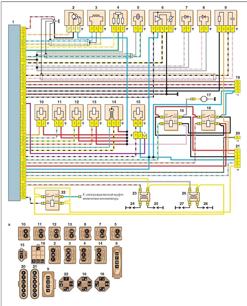
Проводка микас 7.1 инжектор