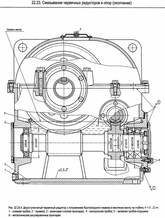
Проверка уровня масла в редукторе