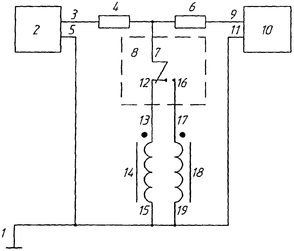
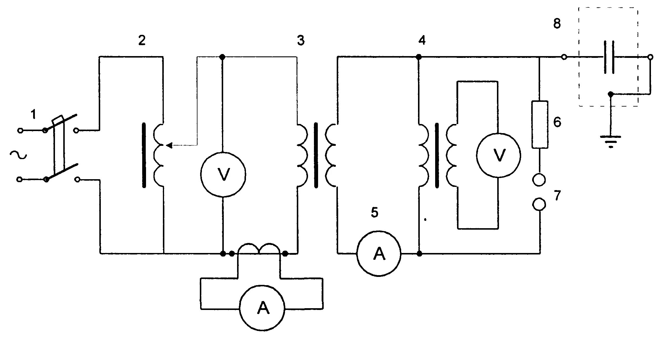
Проверка трансформатор напряжения