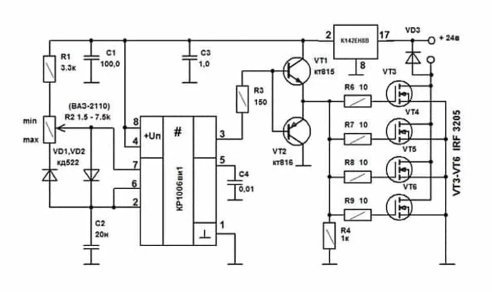
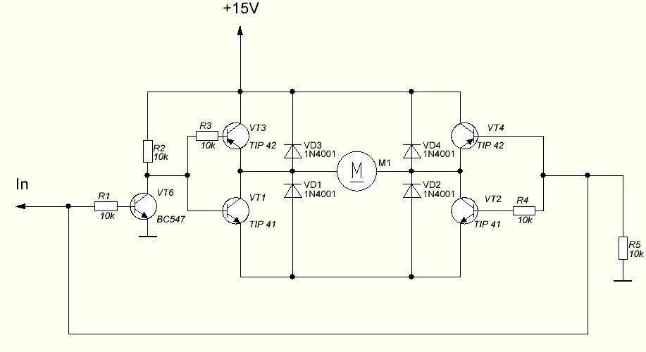
Простое управление двигателем