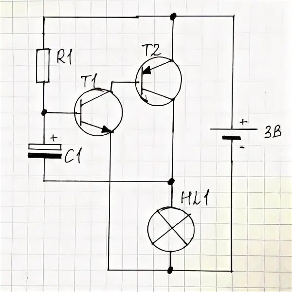
Простейший генератор импульсов