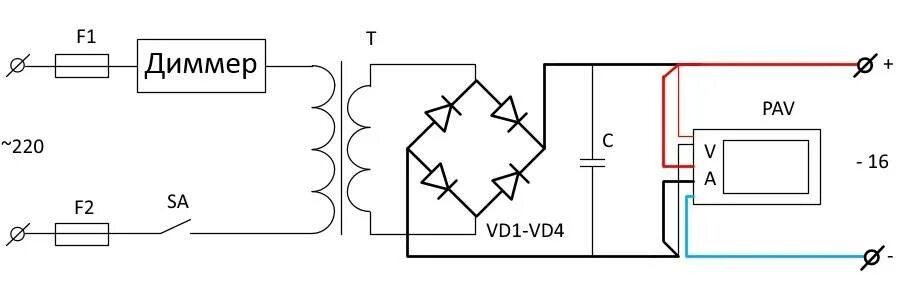
Простая схема зарядного устройства для автомобильного аккумулятора