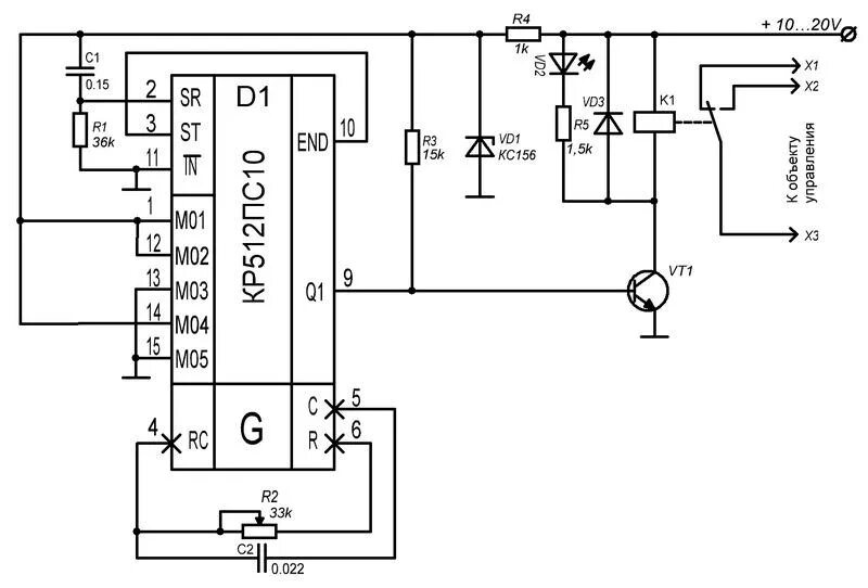
Происходит включение и выключение