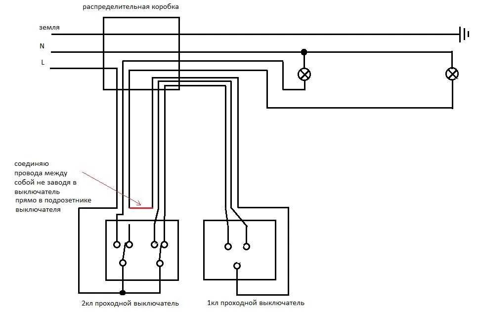
Проходной выключатель на 2 лампочки как подключить