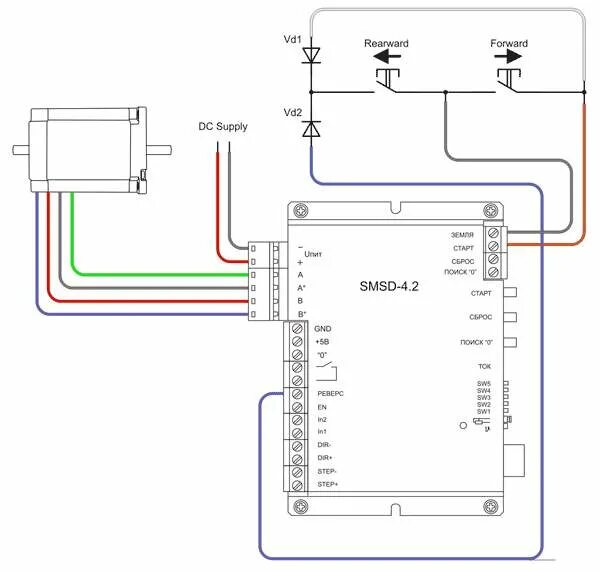
Программирование блоков управления