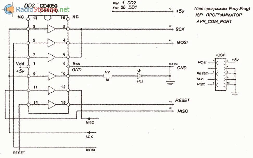
Программатор передач