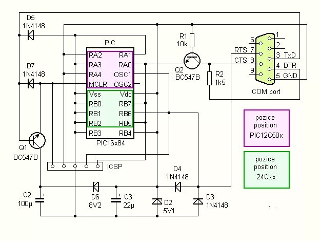
Программатор ic