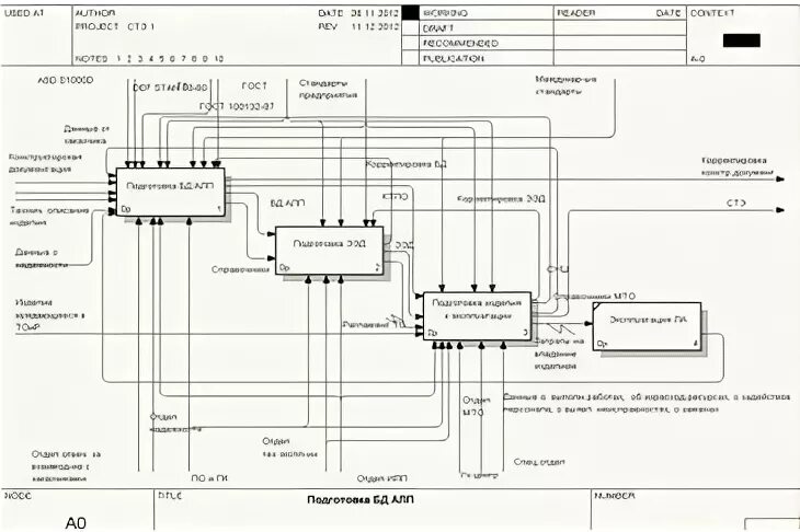
Проектирование программного модуля