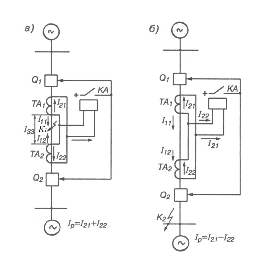
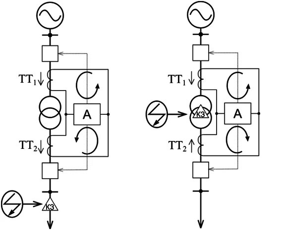
Продольная дифференциальная защита трансформатора