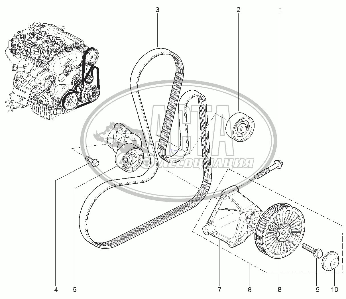
Привод вспомогательных агрегатов рено дастер