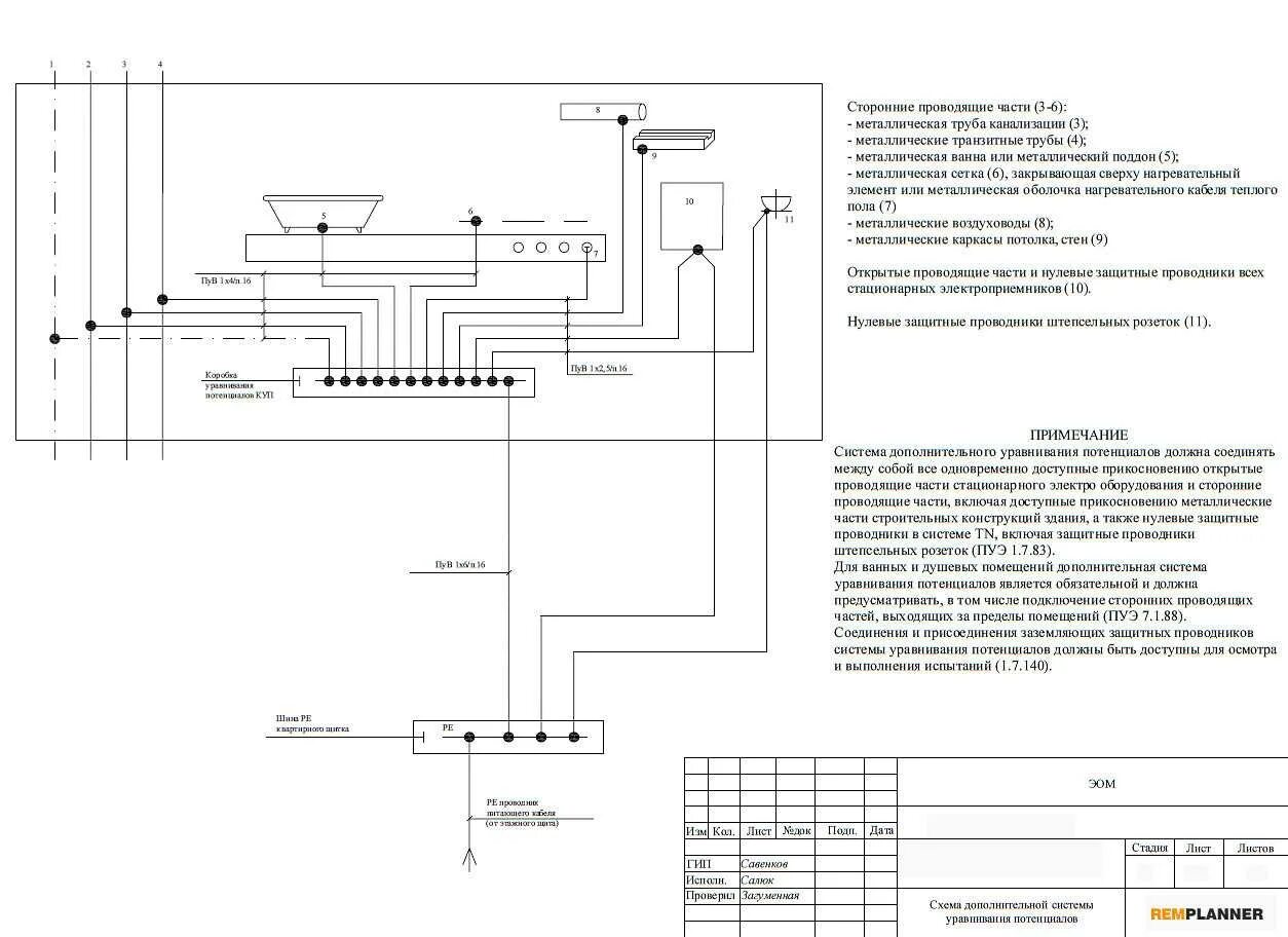
Присоединение заземляющих и нулевых защитных проводников