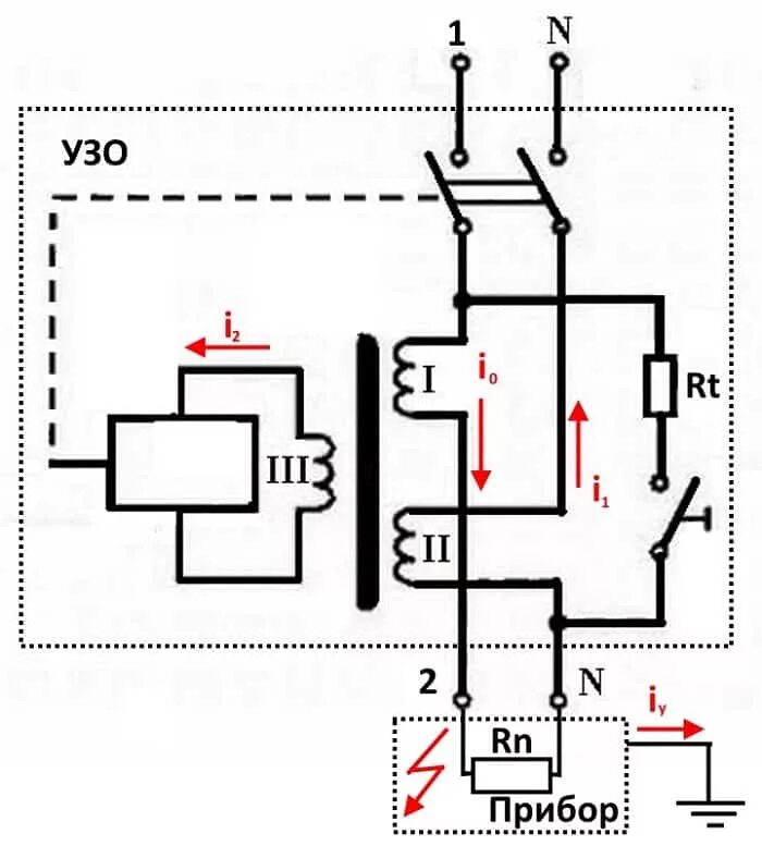
Принцип защитного отключения