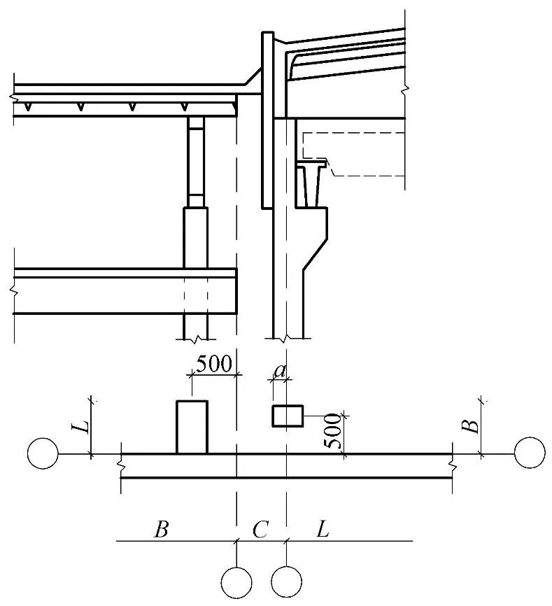
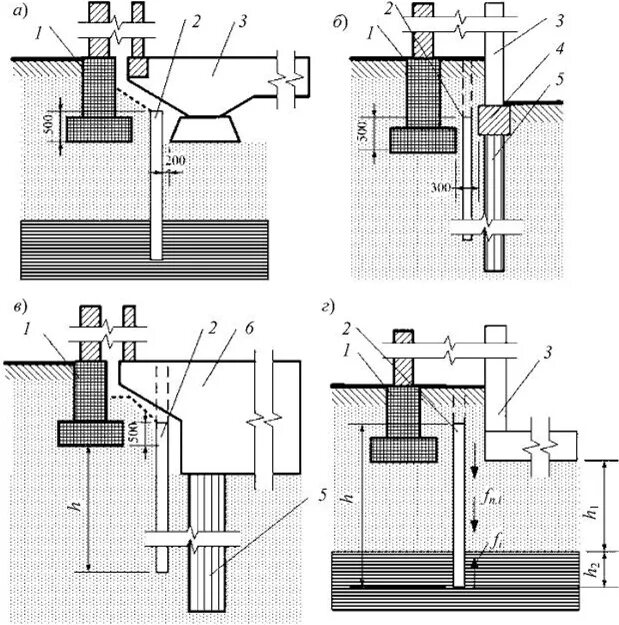
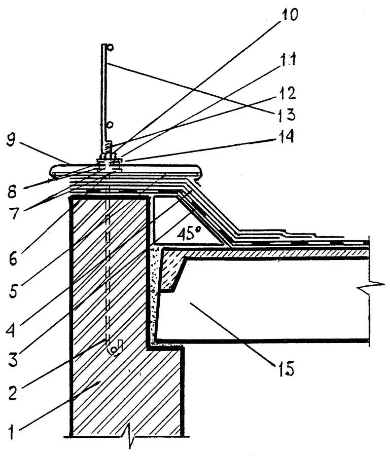
Примыкание здания