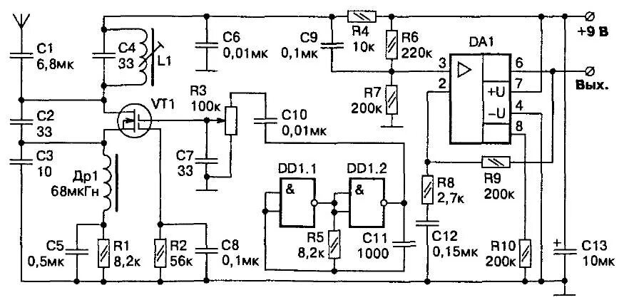
Приемники сигналов точного времени