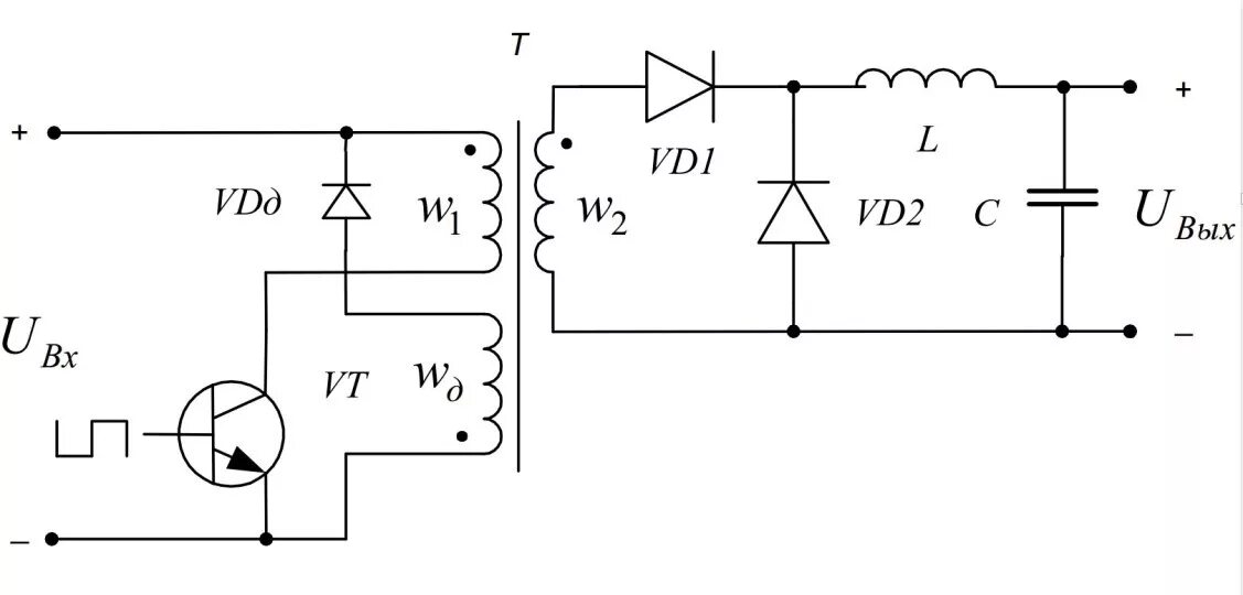
Преобразователи напряжения типы