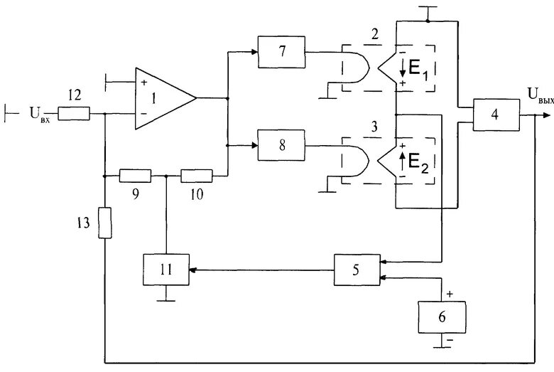
Преобразователь состоит