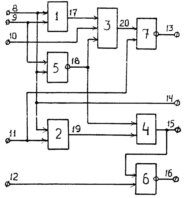
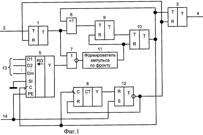
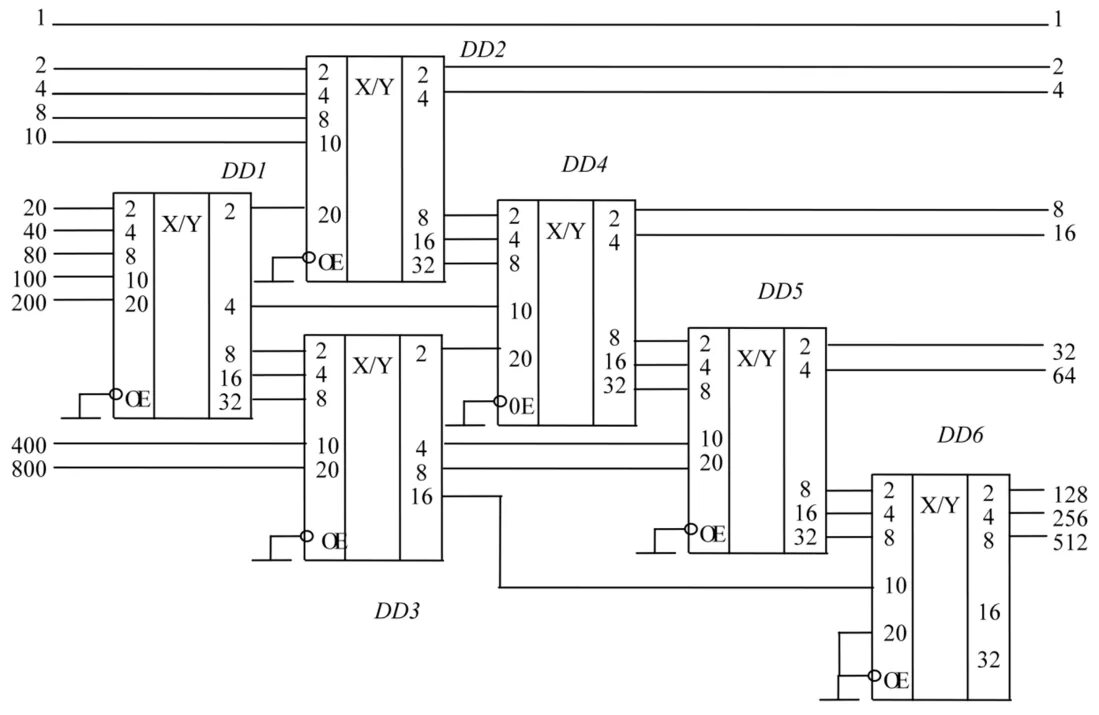
Преобразователь кодов схема