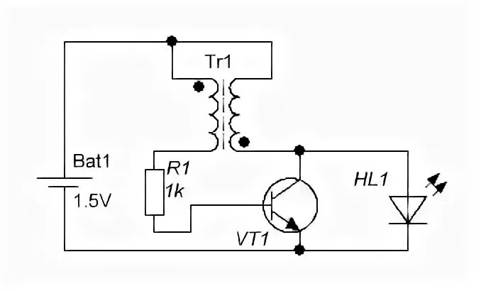
Преобразователь диода