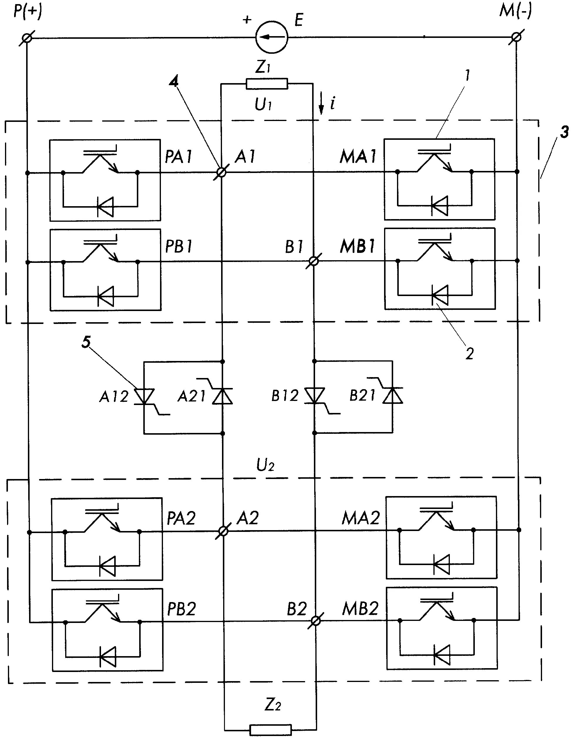
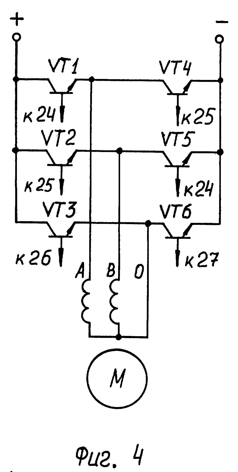
Преобразователь частоты для асинхронного двигателя