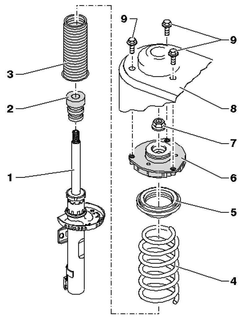
Правильно установить стойки