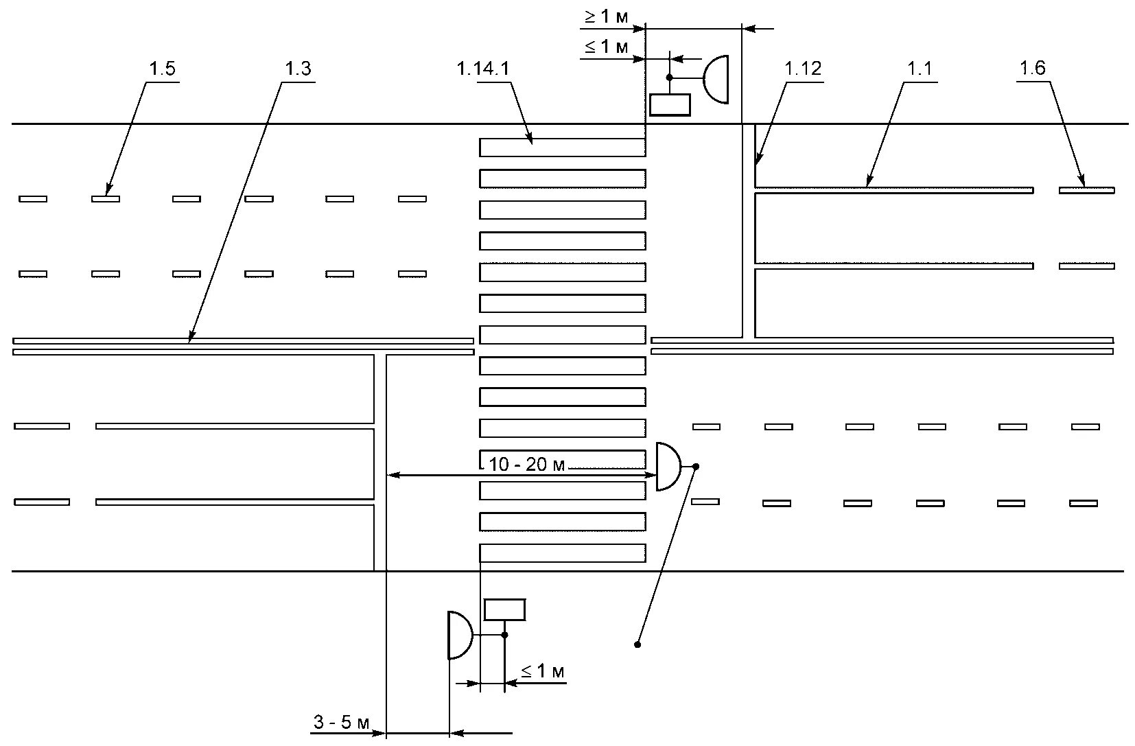
Правила применения дорожных направляющих устройств