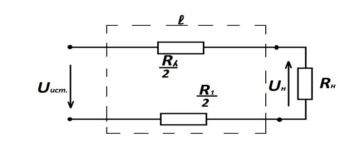
Потеря напряжения в воздушной линии