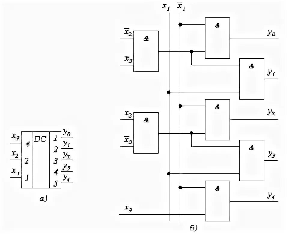
Построить комбинационную логическую схему