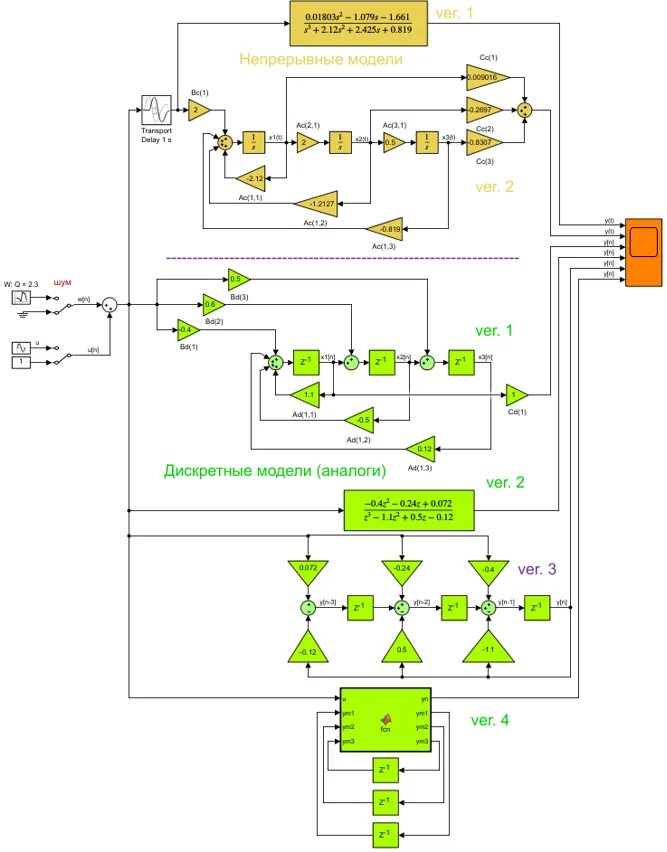
Построение динамических моделей