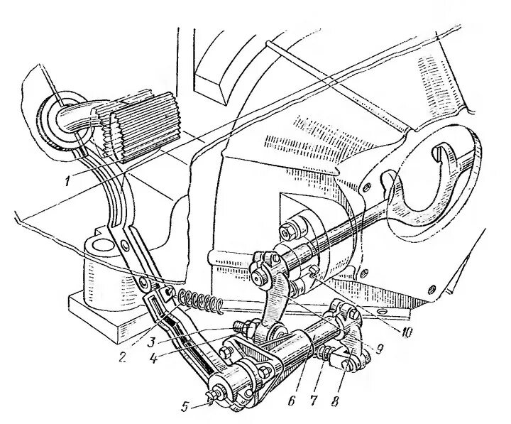
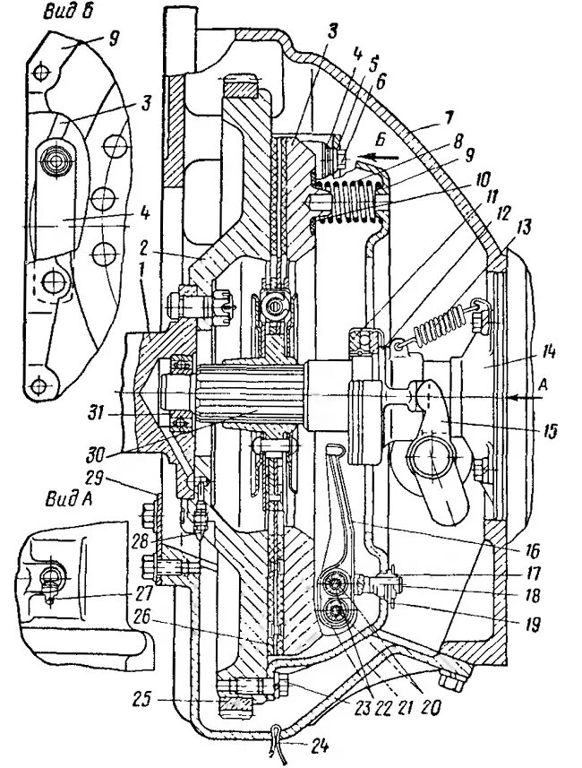
Поставить диск сцепления зил 130