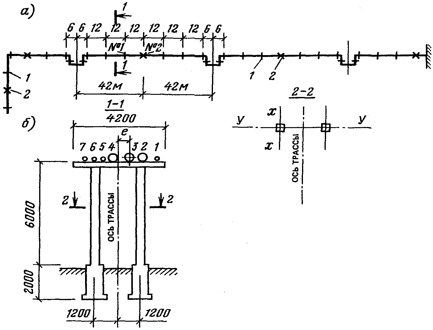
Пособие по проектированию опор под трубопроводы