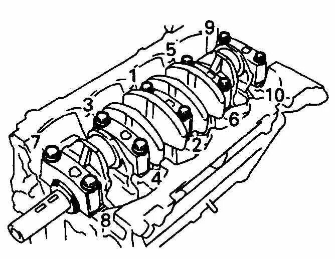
Порядок затяжки коренных