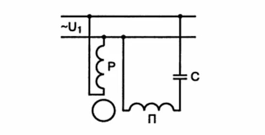
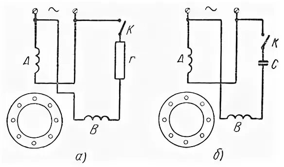
Поменять вращение однофазного двигателя