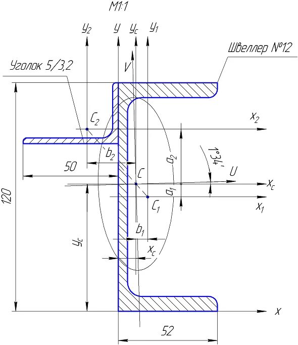
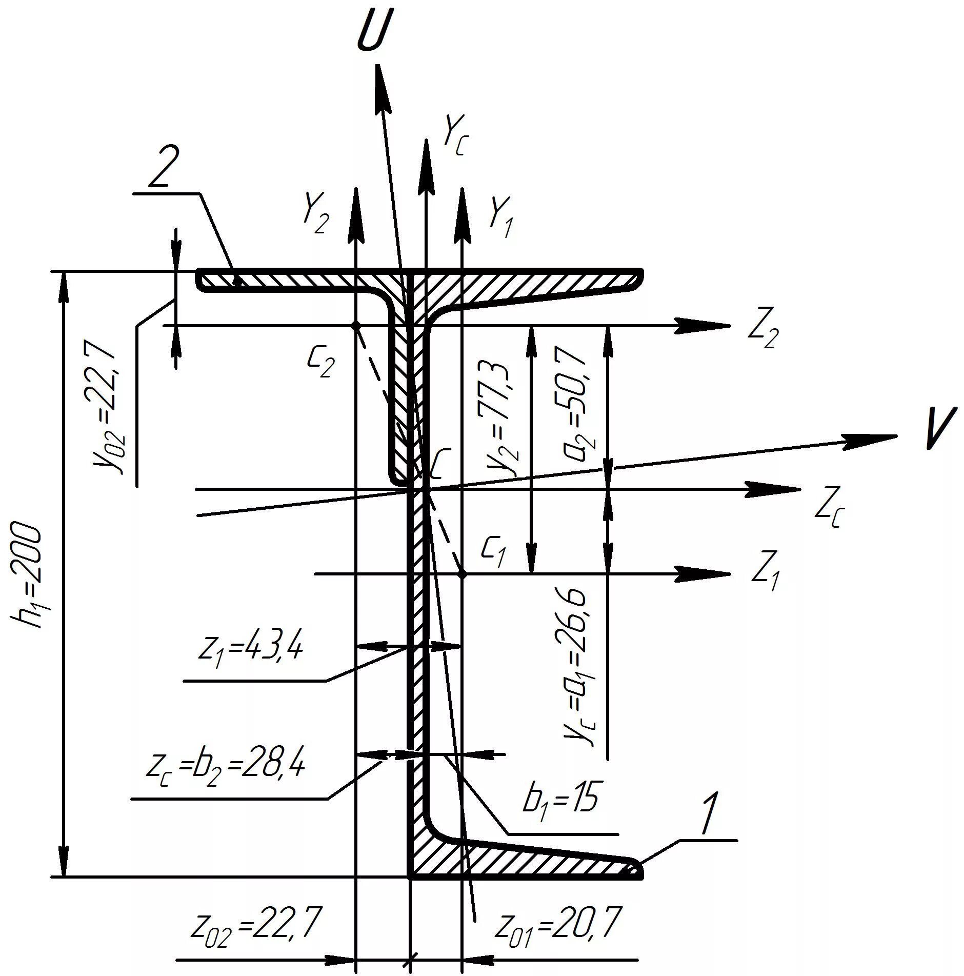
Положение швеллера