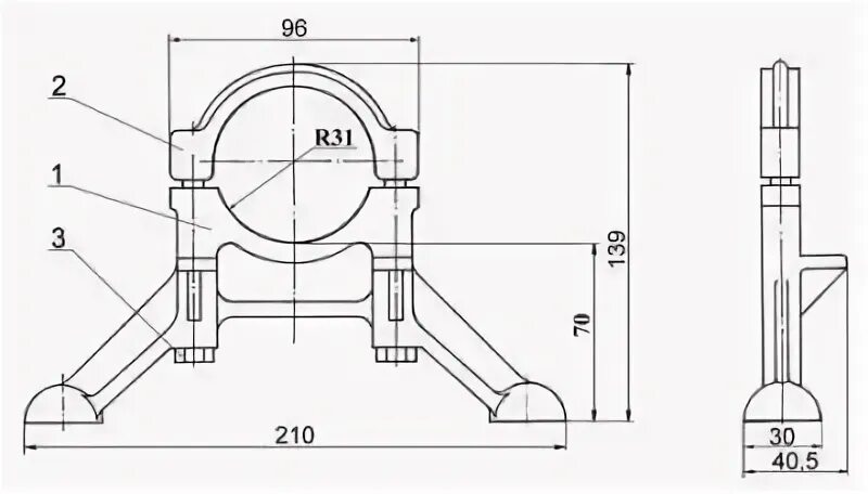
Подставка под чугунную батарею