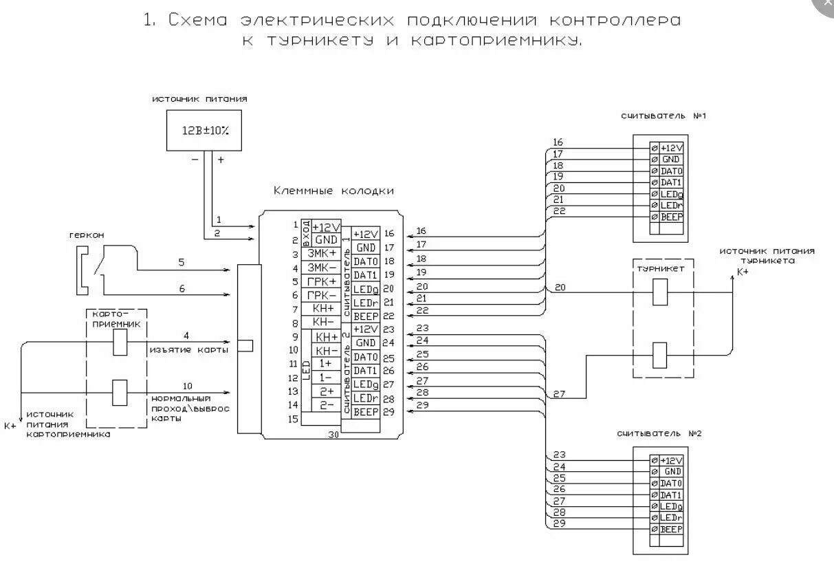
Подключиться к контроллеру